

把“誠信、負責、創 新、團隊”作為不斷的追求和目標,愿與廣大朋友攜手共創美好的明天
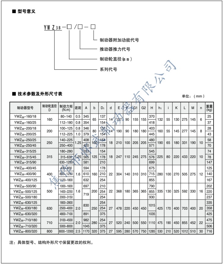
YWZ3B系列電力液壓鼓式制動器
電力液壓塊式制動器由制動架和相匹配的電力液壓推動器兩大部分組成,當通電時,電力液壓推動器動作,其推桿迅速升起,并通過杠桿作用把制動瓦打開(松閘);當斷電時,電力液壓推動器的推桿在制動彈簧力的作用下,迅速下降,并通過杠桿作用把制動瓦合攏(抱閘)。
2022-01-25
咨詢熱線:
13903919308
產品詳情


相關案例
在線訂購
溫馨提醒:
為了能及時和您取得聯系,請您務必填寫您的聯系方式和需求信息;您也可以通過商務聯系我們的24小時在線客服,焦作市懷武制動器有限公司-致力成為您滿意的合作伙伴!
聯系我們
地址:焦作市虹橋工業區
電話:13903919308
電話:0391-7266886
郵箱:13903919308@139.com